
Figure 1. Conventional mixing of abrasive into a waterjet cutting stream.
Because air is conventionally used to carry the abrasive into the mixing chamber, and due to the relatively high volumes that are entrained it is often the case, as Tabitz* and others have shown, that the abrasive velocity exiting the jet is reduced as air volume increases.

Figure 1. Simulation of the effect of increasing air volume and abrasive feed rate on the particle velocity issuing from a conventional abrasive waterjet nozzle. (Tabitz et al*)
Using a higher density fluid to carry the particles into the mixing chamber is a self-defeating exercise, since the heavier fluids also will have to be accelerated to the final velocity, so that if a carrier fluid is to be used, then air is a logical choice. But it can make up some 90% of the jet leaving the nozzle, the water comprises roughly 9% of the remainder, so that only 1% of the jet may be abrasive, and this is the component that does the cutting in harder materials.
There should be a different way of approaching this, and in the early 1980’s Mark Fairhurst, at the time a graduate student in the UK, came up with an answer, which was presented at the BHRA Conference held in Durham in 1986. The initial system was relatively simple, but demonstrated the principles of the approach which was initially known as the Direct Injection of Abrasive Jet (or DIAjet for short).

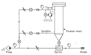
Figure 3. Initial flow circuit from which the DIAjet system evolved. (after Fairhurst-1**)
The concept of the DIAjet circuit is that the abrasive particles are first loaded into a pressure vessel, which is then closed. When the pump is turned on part of the water flow from the pump feeds into this vessel through two control valves. The first is at the top of the tank, while the second was directed to feed at the bottom of the Tank, making it easier to feed abrasive into the underlying ejector, which mixed it with the main water flow from the pump, and thence carried it to the nozzle. This approach has a number of advantages over that of the conventional mixing chamber. The immediately obvious one is that there is no air added to the system, and the energy imparted to the water by the pump is only shared with the abrasive particles, without the system losses that occur where air is added to the mixture.
As a result the abrasive particles acquire a higher percentage of the water energy, and achieve particle velocities that allow cutting at 3,500 psi and 5,000 psi, whereas otherwise with a conventional system the jets would be at pressures ten times this high (although we will get into some of the caveats to that statement as this segment of the series continues).
In the earliest version of the system (and in some stand-alone versions that developed later, as I will discuss later in the series) the abrasive was added by simply unscrewing the lid, adding the abrasive to the tank, and then resealing the lid. Part of the problem that this causes is that, if the feed is not properly controlled abrasive can be caught in the threads of the cap piece, and this will then gall the threads and rapidly wear out the connection.
BHR, who first developed the machine, overcame this problem initially by using a secondary circuit to feed the abrasive into the pressure vessel, and this could be arranged so that there were two pressure vessels (which rapidly transitioned into pressure cylinders modified from other applications) one of which could be charging, while the second was in use. The basic circuit then became:

Figure 4. Schematic flow for the first commercial DIAjet system (after Fairhurst-2***)
It is perhaps illustrative to show one of the modifications to the design that was made in Missouri, where we used a small pressure-washer pump to feed the water to the pressure vessels, while the abrasive storage (the hopper shown in figure 4) was made from the pressure tank used in high-pressure painting applications. Because the lid of that pressure vessel was not threaded it was quite easy to refill, and the two cylinders were operated alternately. The entire system was designed to fit into the bed of a pick-up truck.

Figure 5. A small portable cutting system based on the DIAjet system. The assembly is mounted on a metal platform, and includes a water reservoir so that it is largely self-contained, and simple to use.
This new way of adding the abrasive to the waterjet feed has been developed for a number of different applications, although, because of the problems that arose in operating valves which control flow that contains abrasive, there have been some problems that have persisted in finding circuit designs that can operate on a consistent basis for the steady cutting applications where long cutting times are needed. But this approach has a number of applications where the abrasive need only cut for a relatively short period of time, during which the valves can function effectively, and where the jets can perform a cutting operation that is difficult for other cutting applications to achieve. It is, for example, possible to use a DIAjet type of system (if controlled properly) to cut through a live explosive detonator, without causing the explosive to go off. But I will talk about some of these developments, and some of the other capabilities of the system in later pieces.
*Tabitz, Schmidtt, Parsy Abriak, and Thery “Effect of Air on accceleration process in AWJ entrainment system, 12th ISJCT, Rouen, 1994 p 47 – 58.
** Fairhurst, R.M., Abrasive Water Jet Cutting, MSc Thesis, Cranfield Institute of Technology, January, 1982.
***Fairhurst, R.M., Heron, R.A., and Saunders, D.H., “Diajet” — A New Abrasive Waterjet Cutting Technique,” 8th International Symposium on Jet Cutting Technology, Durham, UK, September, 1986, pp. 395 – 402.


